振動篩12年生產廠家
過濾,除雜,分級

價格:3500-38000元
2-500目篩網規格:
100-2000公斤/時產量:
1-5層層數:
特點:篩分精度高、網孔不易堵塞、全封閉結構、無粉塵污染
適用:分級(顆粒/粉末準確分級),過濾(去除異物/結塊),除雜(去除液體中的顆粒/異物)

全國統一銷售熱線




三次元振動篩處理粉末,顆粒,漿液物料試機視頻
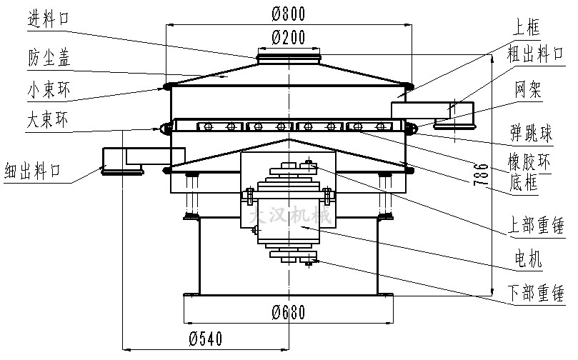
三次元振動篩一種高精度的細粉末篩分設備,具有廣泛的應用范圍,可篩分任何顆粒、細粉、漿液。因其外觀呈圓形,故又稱圓形振動篩。可用于單層除雜、多層分級、固液分離過濾,篩層數為1-5層,可分為2-6個排料口,效率高,產量大,換網僅需3-5分鐘。


三次元振動篩工作原理是利用電機軸上下安裝的重錘(不平衡重錘),將電機的旋轉運動轉變為水平、垂直、傾斜的三次元運動,再把這個運動傳遞給篩面,使物料在篩面上做外擴漸開線運動,故該系列振動篩稱之為旋振動篩。旋振篩具有物料運行的軌跡長,篩面利用率高等優點,調節上、下兩端重錘的相位角,可改變物料在篩面上的運動軌跡.可以對物料進行精篩分、概率篩分等。


| 型 號 | DH-600 | DH-800 | DH-1000 | DH-1200 | DH-1500 | DH-1800 | DH-2000 |
| 產品圖片 | ![]() |
![]() |
![]() |
![]() |
![]() |
![]() |
![]() |
| 直徑mm | Φ600 | Φ800 | Φ1000 | Φ1200 | Φ1500 | Φ1800 | Φ2000 |
| 篩網面積m | 0.24 | 0.45 | 0.67 | 1.0 | 1.6 | 2.43 | 3.01 |
| 篩網規格(目) | 2-500 | ||||||
| 進料粒度mm | <Φ10 | <Φ15 | <Φ20 | <Φ30 | |||
| 振次rpm | 1500 | ||||||
| 有效篩面直mm | Φ560 | Φ760 | Φ930 | Φ1130 | Φ1430 | Φ1760 | Φ1960 |
| 層數 | 1-5 | ||||||
| 功率Kw | 0.25 | 0.55 | 0.75 | 1.1 | 1.5 | 2.2 | 3 |


1、篩分精準:可篩細至500目或0.028mm的粉末和顆粒,液體物料可過濾至5微米。
2、不堵網:設有彈跳球清網裝置,連續撞擊篩網,不堵網,可達到清網目的。對于粘性和靜電材料,可以使用超聲波清洗裝置。
3、無污染:全封閉結構,無粉塵外溢,防止產品泄漏,改善工作環境。
4、單層或多層篩分:可篩選1~5層篩網,可同時進行2~6級分選或過濾。



化工行業:樹脂、涂料、工業藥品、化妝品、油漆、中藥粉等。
食品行業:糖粉、淀粉、食鹽、米粉、奶粉、豆漿、蛋粉、醬油、果汁等。
金屬、冶金礦業:鋁粉、鉛粉、銅粉、礦石、合金粉、焊條粉末、二氧化錳、電解銅粉、電磁性材料、研磨粉、耐火材料、高嶺土、石灰、氧化鋁、重質碳酸鈣、石英砂等。
公害處理:廢油、廢水、染整廢水、助劑、活性碳等。

1、通過撓性連軸帶動鑲嵌在篩框上的兩組激振器旋轉產生振動,振動電機上下各有一塊偏心重錘,即所謂的偏心塊,通過調整上下偏心塊的數量,我們可以達到控制篩面水平振動幅度和上下振動幅度的大小,進而控制激振力。
2、通過調整振動篩電機角度的大小可以調整所篩選物料在振動篩里邊的運行軌跡,通常主要是指物料在振動篩里邊的運行和擴散的速度。
在出廠時振動電機偏心塊間的夾角是45°,如果在后期使用過程中需要調整振動篩角度的話,可按照如下方法操作:
1、當夾角為0度時:物料從中心向四周快速移動,此時物料在篩面上的移動軌跡短,一般用于物料的粗篩。
2、當夾角為15度時,物料在漩渦中運動,物料運動路徑適中,主要用于普通篩分。
3、當夾角為45度時,材料在漩渦中運動。此時物料在篩面上的輸送路徑長,用于精密篩分。
4、當角度為90度時,物料從四周向中心移動,一般用于濕篩或特殊物料的篩分。
具體三次元振動篩電機偏心塊的夾角和物料的運動軌跡如下圖所示:

(一)三次元振動篩應有穩定的基礎。當設備安裝于一般地面或水泥基礎上時,可以不設置地腳螺栓。當設備安裝于鋼結構架臺之上時,應用螺栓緊固于結構體上,而且鋼結構架臺應有一定的鋼度。
本機只需三相開關一只(備注:好使用電氣控制盤),用蛇皮管穿線,將電機接至電源即可,注意電氣控制盤應懸掛安裝于墻上。
(二)設備出廠前已將篩網裝妥,使用過程中的篩網更換可自己更換。
(三)開機前,應先檢查各壓緊螺栓的緊固程度,及各料口的位置是否與接料器對正,并觀察振動電機是否能正常轉動及彈簧受力有無阻礙,檢查各層篩網是否壓緊。
(四)當三次元振動篩接入電氣控制盤之前,應首先對電氣控制盤進行檢查。線路接通后觀察振動電機旋轉方向是否是順時針方向,
(備注:否則應改變相序)運轉是否正常,有無異噪聲。
(五)調節振動電機上下偏心塊的相位角,以適應各種物料篩分情況。