振動篩12年生產廠家
過濾,除雜,分級

1.5kw功率:
2600kg處理量:
380v電壓:
粉末,0-400目都可以篩選,液態,漿狀的0-600目都可以過濾

全國統一銷售熱線


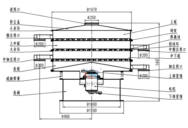
振動篩廠家大漢機械設計的此款1500型振動篩接觸物料部分以及防塵蓋均為304不銹鋼材質,底座部分為Q235碳鋼材質,現已適用于石英砂的多層篩分,篩分產量大,篩分效率高,非常適合較大產量的石英砂篩分。



1500三層振動篩由直立式振動電機作為激振源,電機上、下兩端安裝有偏心重錘,將電機的旋轉運動轉變為水平、垂直、傾斜的三次元運動,再把這個運動傳遞給篩面進行篩分。調節上、下兩端的相位角,可以改變物料在篩面上的運動軌跡。
通過改變振動電機的上下2塊偏心塊的夾角和質量,振動電機即可帶動設備產生不同大小的振動力,從而改變水平或垂直方向的振動幅度,進而改變篩分的流量和效率。
0度 35度 65度 90度
(對原料進行粗篩分) (用于大多數原料篩分) (用于精細原料的篩分) (特殊用途)

新鄉振動篩大漢機械可根據客戶需求設計特殊型號,無論物料是干是濕,是精細是粗糙,是比重大是比重輕,0-400目都可以篩選,不管是液態,還是漿狀的0-600目都可以過濾。大漢振動篩系列產品同時配備專門的篩網清理裝置,把堵網率降到低,過網率和處理精度得以有效提高。









Copyright ? 2007-2019 振動篩廠家-新鄉市大漢振動機械有限公司 | All Rights Reserved 版權所有
備案序號:豫ICP備09002479號-1